Můžete se kdykoli odhlásit. Zasíláme jednou za 14 dní.
- Úvod
- Hliníkové profily pro LED pásky
- NÁBYTKOVÉ LED profily
- LED profily Z
- LED profil Z, stříbrný
LED profil Z, stříbrný

- Kompletní specifikace
- Parametry
- Hodnocení 0
- Související zboží6
LED profil Z, stříbrný136 Kč/ ks112 Kč bez DPH
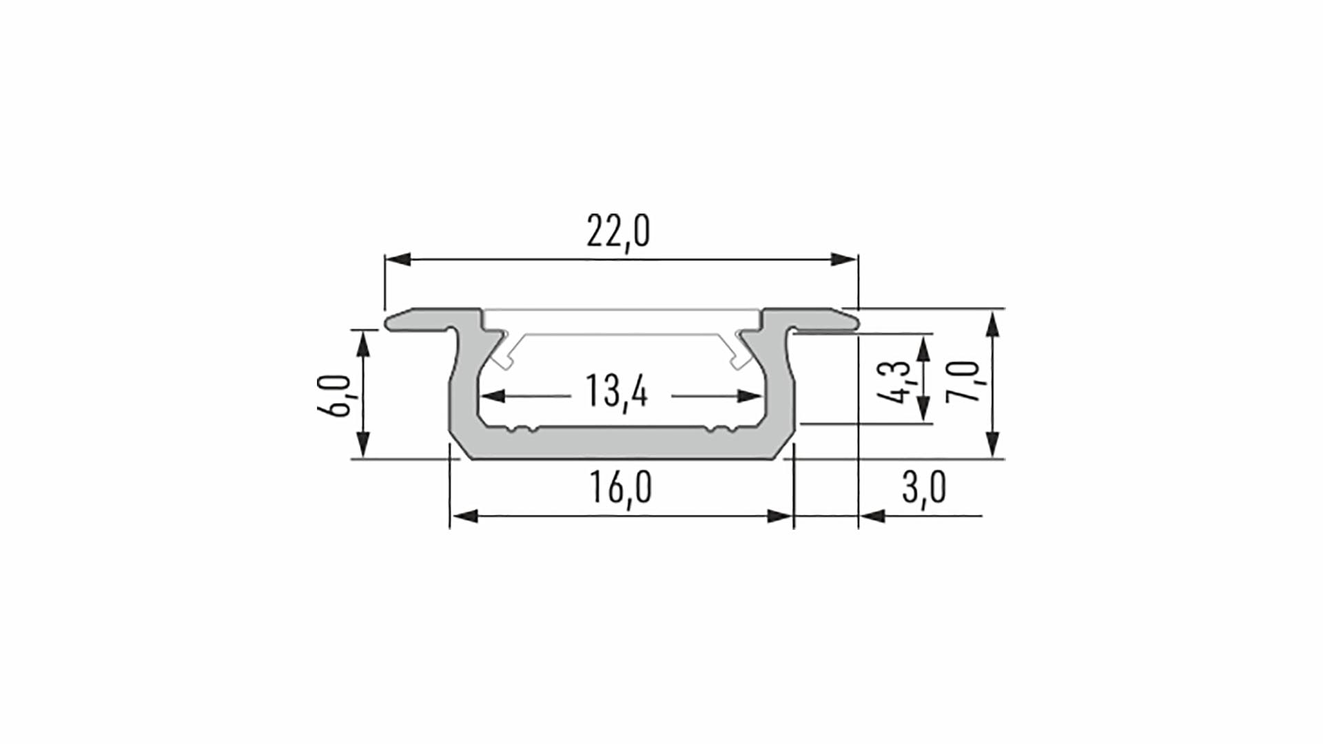
Nábytkový hliníkový LED profil Z je určen pro zapuštěnou montáž do vyfrézované drážky.
Jedná se o mělčí variantu LED profilu typu "B", spolu s tímto profilem patří mezi nejvíce používané minimalistické LED profily aplikované téměř ve všech moderních projektech.
Ideální použití pro osvětlení kuchyní, šaten, kanceláří a obchodů, k nasvícení polic, pracovních desek, soklů a schodů, vnitřních i vnějších částí skříněk...
LED profil Z je nejpoužívanějším zapuštěným profilem. Nízká výška tohoto profilu a plochý kryt (difuzor) působí velmi diskrétním dojmem.
TYP PROFILU:
- NÁBYTKOVÝ LED PROFIL
- LED PROFIL POVRCHOVÝ
- LED PROFIL K ZAPUŠTĚNÍ
ÚČEL PROFILU:
- osvětlení kuchyní, šaten, kanceláří a obchodů
- k nasvícení polic, pracovních desek, soklů a schodů
- k nasvícení vnitřních i vnějších částí korpusů skříněk...
- k zapuštění do keramických obkladů
- osvětlení nik a reklamních vitrín
- stropní líniové LED osvětlení
BAREVNÉ VARIANTY:
- SUROVÝ HLINÍK
- BÍLÝ LAKOVANÝ (RAL. 9016)
- ČERNÝ ELOXOVANÝ
- BRONZOVÝ ELOXOVANÝ
- STŘÍBRNÝ ELOXOVANÝ
- 1000 mm
- 2020 mm
- 3000 mm
Profily je možné libovolně krátit a jinak řezem upravovat.
- do 12 mm
ZPŮSOB MONTÁŽE:
- zasunutí profilu do vyfrézované drážky
- uchycení profilu pomocí montážního lepidla
Difuzory řady BASIC:
Difuzory jsou k dispozici ve standardních délkách, 1000 mm, 2020 mm a 3000 mm.
Montáž difuzorů se provádí jednoduchým zakliknutím difuzoru z vrchní strany profilu.

KONCOVÉ ZÁSLEPKY:
- Hliníkové záslepky nebo PVC záslepky v 5-ti barevných variantách...
- šedá, stříbrná, černá, bronzová a bílá
- dostupné pouze s otvorem pro napájecí kabel a pouze OBLÉ
ZPŮSOB MONTÁŽE PROFILU Z:
Schéma montáže + finální efekt montáže zapuštěného LED profilu Z s difuzorem BASIC do vyfrézované drážky.


Příklad zapuštění LED profilu Z do vyfrézované drážky s oblou koncovou záslepkou a difuzorem BASIC.


Příklad použití LED profilu Z k osvětlení schodišťových nášlapů.

Sestava prvků osvětlovacího systému pomocí LED profilu Z : (1) difuzor BASIC, (2) LED pásek, (3) koncová záslepka plná (bez otvoru), (3a) koncová záslepka s otvorem pro napájecí kabel.

Ilustrační video:

















